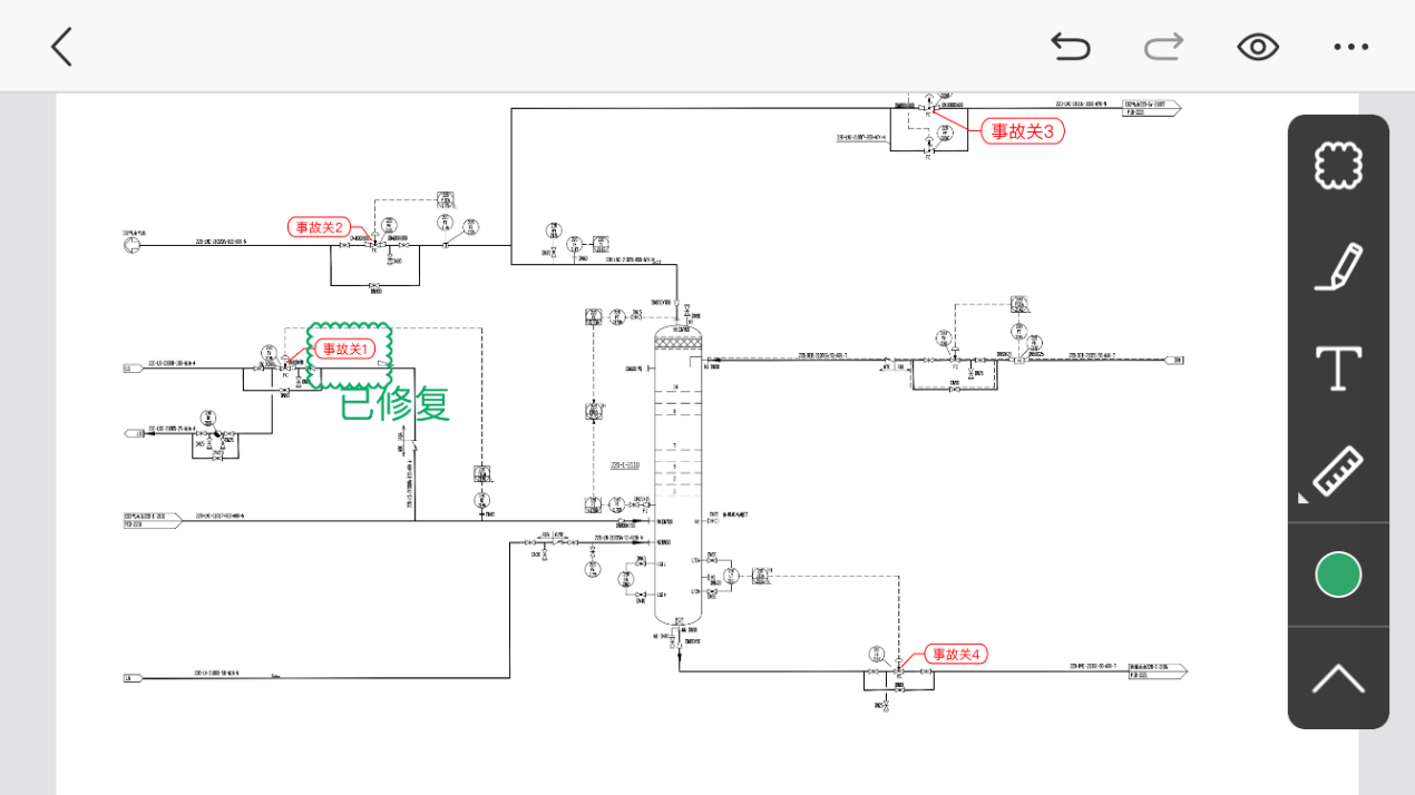
化工“事故关”阀门快速编号文字标注,实现数字化巡检闭环管理
在化工行业日常运维过程中,“事故关”阀门(也称“事故切断阀”或“紧急切断阀”)是一类在异常或紧急情况下必须迅速关闭的关键阀门,其作用是在发生泄漏、超压、火灾等事故时,快速切断物料流动,防止事故扩大,保障人员与设备安全。因此,在日常巡检以及年度检查过程中,对问题“事故关”阀门快速进行编号文字标注,再开会制定检修方案,形成巡检、测试、维修记录的历史档案。这些工作至关重要,但这些工作时间周期长,数据信息持续不断更新,如何用数字化的方式来实现管理呢?这就是我今天要分享的个人经验。
一、什么是“事故关”阀门?
“事故关”阀门通常指在工艺系统中承担安全隔离功能的阀门,常见于:
- 易燃、易爆、有毒介质的管道;
- 反应釜、储罐、压缩机等关键设备的进出口;
- 消防系统、紧急排放系统等安全设施。
它们可能是手动阀,也可能是自动阀(如气动切断阀、电动切断阀),并常与传感器、控制系统联动,实现自动触发关闭。
二、为什么“事故关”阀门需要定期巡检与标注?
1、安全合规要求
根据《压力管道安全技术监察规程》(TSG D0001-2025)、《工业管道安全技术规程》(TSG 31—2025)等规范,事故关阀门必须定期检查、测试与记录,确保其处于可随时投用的正常状态。
2、预防事故扩大
若事故关阀门因锈蚀、卡滞、信号失灵等原因无法关闭,可能导致泄漏持续、火灾蔓延或爆炸风险升高。
3、提升应急响应效率
在事故发生时,现场人员或控制系统需能快速定位并操作这些阀门。清晰标注其在图纸上的位置,可大幅缩短应急响应时间。
三、传统巡检方式有哪些问题
1、图纸与现场脱节:纸质图纸不易携带,电子图纸查看不便,现场人员难以快速对照;
2、标注混乱易错:手工标记易遗漏、重复或模糊,不利于后续统计与追溯;
3、信息传递滞后:巡检发现问题后,需开会、整理报表、传递图纸,协同效率低;
4、难以系统化管理:阀门状态、检测记录、整改情况等信息分散,缺乏统一可视化的台账。
四、如何用数字化手段提升事故关阀门闭环管理效率
针对上述问题,采用具备快速编号标注功能的数字化图纸工具PDF快速看图,通过将事故关阀门在PID图、设备布置图等图纸上进行系统化编号与标注,可实现:
1、快速标注,一图总览:巡检发现的事故开关,一键自动标号标注;所有事故关阀门位置、编号、状态一目了然,特别是复杂工业管道图纸,可快速搜索定位;

2、从“分散台账”到“一图统管”,形成数字化资产:对每次巡检分别设置不同的标注类别进行区分,巡检、测试、维修记录可关联至对应类别,形成历史档案;
3、状态跟踪,协同共享:现场人员通过编号即可对应图纸与实际设备进行识别,电脑和手机的图纸与标注信息可导出并快速共享,技术员、安全员、特检人员均可实时查看与更新。
通过为“事故关”阀门建立“编号-图纸-数据”的管理闭环,我们解决的远不止一类设备的巡检问题,更验证了一种工业数字化管理范式:为每一个关键实体赋予唯一数字身份,并将其与图纸、数据、流程深度绑定。这套方法论具有极强的可扩展性。在工业管道焊口的全生命周期管理中,同样的逻辑完全适用:在建设期,可为每个焊口编号并标注于单线图,关联焊工、工艺参数等质量数据;在运营期,定期检验、无损检测(如UT、RT)的位置与结果可直接挂接到对应编号下,形成永久的、可穿透查询的质量档案。此外,定点测厚位置、安全泄放装置、关键仪表等诸多需要精确定位与历史追溯的场景,均可借助此方法,实现从现场到图纸、从当前状态到历史数据的无缝串联。
#数字化巡检 #化工巡检 #一图统管 #安全 #化工厂 #日常巡检 #年度检查 #石油化工 #编号文字标注 #巡检员